JSQ32-FE5016
JSQ32-FE5016

16L

• 全灌胶主控制系统,纯平玻璃,炫彩屏触摸款显示器。
• 双重精控,根据进水温度、设定温度、水流量,CPU智能调节燃气比例阀气量,无级变升;水流量传感装置,根据季节和使用不境,调节水流量,实现用户设定的水温。
• 超静音,密封燃烧室。
• 微火燃烧技术,16升五分段,最低负荷下燃烧,相当于1台2.4L的热水器,解决夏天水太烫的行业难题。
• 洗浴过程中重启,零秒点火,水温过渡平衡。
• 旁通温水技术,停水温升小。
• 不同季节使用,实时调控燃气耗量,热效率恒定不变。
• 主动防护一氧化碳超标,系统监控到燃烧不充分时,风机主动提速,保证氧气供给,始终保持在充分燃烧状态。
• 正压燃烧系统,实现了对流降温,燃烧室、无氧铜热交换器、直流风机温升低,使用寿命更长。
• 抗风压能力强,无惧高层安全使用。室外大风,往密闭空间里倒灌,难度很大。


  • 产品详情
  • 技术参数
  • 安装示意图
1、玻璃系列
2、双重精控、无级变升
3、水流量传感,调节水流量
4、超静音,密封燃烧。
5、微火苗燃烧,16L五分段,夏天水不烫,无体感温差。
6、旁通Q机能技术,停水温升小。
7、主动防护一氧化碳超标。
8、双通道水路水流阻力小
9、抗风10级
10、燃烧防冻/多重守护



产品编码:JSQ32-FE5016
类型:强制排气式
额定热负荷(KW):32KW
产水能力:16L/min
额定电压:AC220V/50Hz
水量控制:水流量传感器
防冻装置:100W(选配)
使用水压:0.02-1.0MPa
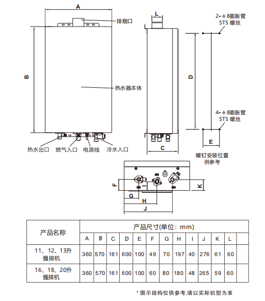
外形尺寸(mm):570×360×145
重量(Kg):14.5

上一篇:暂无
下一篇:暂无